○市川三郷町防災行政用無線局管理運用規則
平成17年10月1日
規則第16号
(趣旨)
第1条 この規則は、市川三郷町地域防災計画に基づく災害対策に係る事務及び行政事務に関し円滑な通信の確保を図るため設置する市川三郷町防災行政用無線局(以下「無線局」という。)の管理について、電波法(昭和25年法律第131号)及び関係法令に定めるもののほか、必要な事項を定めるものとする。
(1) 無線局 電波法第2条第5号に規定する無線局をいう。
(2) 固定系親局 特定の2以上の受信設備に対し、同時に同一内容の通報を送信する無線局をいう。
(3) 固定系子局 固定系親局の通信の相手方となる受信設備をいう。
(4) 基地局 陸上移動局を通信の相手方として市川三郷町役場内に設置する移動しない無線局をいう。
(5) 陸上移動局 陸上を移動中又はその特定しない地点に停止中運用する車載可搬又は携帯型の無線局をいう。
(6) 中継局 同報系、移動系の回線構成不可地域を解消するため、市川三郷町高萩地内に設置する移動しない無線局をいう。
(7) 無線系 前各号の無線局及びその附帯設備を含めた通信システムをいう。
(8) 無線従事者 無線設備の操作を行う者であって、総務大臣の免許を受け、かつ、当該無線設備を操作する資格を有する者をいう。
(無線局の回線構成)
第3条 無線局の回線構成及び配置等は、別表のとおりとする。
(無線系の管理担当課及び管理責任者)
第4条 無線系の管理は、防災課で行い管理責任者は、防災課長とする。
2 管理責任者は、無線系の管理及び運用の業務を行うとともに通信取扱責任者及び管理者を指揮監督する。
(平28規則19・平29規則4・一部改正)
(通信取扱責任者)
第5条 無線系に通信取扱責任者を置く。
2 通信取扱責任者は、管理責任者がその職員の中から無線従事者の資格を有する者を指名し、これに充てる。
3 通信取扱責任者は、管理責任者の命を受け、無線局を管理し、及び運用し無線局に係る業務を所掌する。
(管理者)
第6条 次の部署に管理者を置く。
(1) 固定系親局及び基地局の通信操作を行う部署
(2) 本庁以外であって、陸上移動局を配備した出先機関等の部署
2 管理者は、本庁にあっては当該部署の課長、出先機関等にあっては当該機関等の長をもって充てる。
3 管理者は、管理責任者の命を受け、当該部署に設置された無線局、施設等の管理及び監督の業務を所掌する。
(無線従事者の配置、養成等)
第7条 管理責任者は、無線系に属する無線局の運用体制に見合う員数の無線従事者を配置するものとする。
2 管理責任者は、無線従事者の適正な配置を確保するため、常に無線従事者の養成に留意するものとする。
3 管理責任者は、無線従事者の現状を把握するため毎年4月1日をもって防災行政無線従事者名簿(様式第1号)を作成するものとする。
2 基地局に配置された無線従事者は、その通信の相手方である陸上移動局の通信取扱者の行う無線設備の操作を指揮監督する。
(通信取扱者)
第9条 通信取扱者は、無線局の運用に携わる一般職員とする。
2 通信取扱者は、無線従事者の管理の下に電波法等関係法令を遵守し、法令に基づいた無線局の運用を行う。
(備付け書類等の管理)
第10条 通信取扱責任者は、電波法等関係法令に基づく業務書類を管理保管する。
2 通信取扱責任者は、電波法令集を常に現行のものに維持しておくものとする。
3 無線業務日誌は、毎日管理責任者及び通信取扱責任者の査閲を受けるものとする。
4 通信取扱責任者は、無線局業務日誌抄録(様式第4号)を毎年3月31日までに作成し、管理責任者に提出するものとする。
5 通信取扱責任者は、無線従事者選・解任届(様式第5号)及び無線業務日誌抄録の写しを整理保管しておくものとする。
(無線局の運用)
第11条 無線局の運用方法については、別に定める運用規程によるものとする。
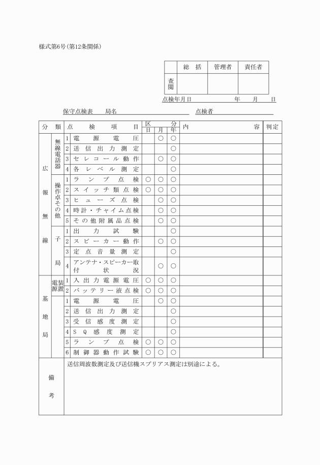
(無線設備の保守点検)
第12条 無線設備の正常な機能維持を確保するため、次のとおり保守点検を行う。
(1) 毎日点検
(2) 月点検
(3) 年点検
2 点検項目については、無線設備の無線機週点検表(様式第6号)のとおりとする。
3 保守点検の責任者は、次のとおりとする。
(1) 毎日点検 通信取扱責任者
(2) 毎月点検 管理者
(3) 年点検 管理責任者
4 予備装置及び予備電源については、毎月1回以上その装置を使用、その機能を確認しておくものとする。
5 点検の結果異常を発見したときは、直ちに管理責任者に報告するものとする。
(通信訓練)
第13条 管理責任者は、非常災害発生に備え、通信機能の確認及び通信運用の習熟を図るため、次により定期的な通信訓練を行うものとする。
(1) 総合防災訓練に併せた総合通信訓練 毎年1回以上
(2) 定期通信訓練 毎四半期ごと
2 訓練は、通信統制訓練、住民への警報、通報等の伝達訓練及び移動系による情報収集及び伝達訓練を重点として行うものとする。
(研修)
第14条 管理責任者は、毎年1回以上、通信取扱者等に対して、電波法令等関係法令及び運用規程、無線機の取扱要領等の研修を行うものとする。
(部外設置の陸上移動局及び固定系子局の管理)
第15条 部外に設置する陸上移動局及び固定系子局の管理については、別に定める。
附則
(施行期日)
1 この規則は、平成17年10月1日から施行する。
附則(平成28年3月17日規則第19号)
この規則は、平成28年4月1日から施行する。
附則(平成29年3月16日規則第4号)
この規則は、平成29年4月1日から施行する。
別表 略






